Product
Back
- ebmpapst
- ZIEHL-ABEGG
- DELTA
- SUNON
- Rosenberg
- SODECA
- FULLTECH
- Nicotra Gebhardt
- S&P
- Wistro
- San Ace
- SANMU
- ADDA
- NMB-MAT
- WEIGUANG
-
HVAC Controls & Components
-
Sanhua
4 Way Reversing Vavle Electronic Expansion Valve Driver Electronic Expansion Valve Electronic Shut-off Valve Ball Valve Electronic Expansion Valve Controller Refrigerated Cabinet Controller Pressure Transducer Solenoid Valve Thermostatic Expansion Valve Pressure Control Check Valve Sight Glass Pressure Regulator Liquid Injector Brass Service Valve Charge Valve Filter Drier Drain Pump Accumulator Liquid Receiver Oil Separator
-
Fengshen
Pressure Control Differential Pressure Control Temperature Control Flow Switch Pressure Controlled Water Valve Evaporation Pressure Regulating Valve Temperature Controlled Water Valve Solenoid Valve Thermostatic Expansion Valve Temperature Responsive Expansion Valve Constant Pressure Expansion Valve (Hot Gas Bypass) Pilot and Main Valve Forerunner Pressure Regulating Valve Sight Glass
- Magic
- Sonyo
- CAREL
- Tecumseh
- Danfoss
- Emerson
-
Sanhua
- HVAC Terminal Units
- Multifan
- Accessories
W2E143-AB15-01/F01 Ebm-papst Axial Fan
Brand:
ebmpapst
Document:
Category:
Axial Fan
Description:
Brand:ebmpapst
Part No:W2E143-AB15-01/F01
Fan Type:Axial Fan
Rated Voltage(V):115
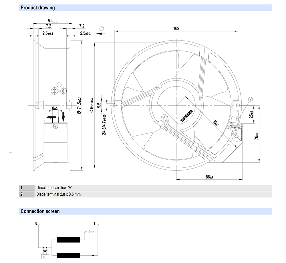
Size(mm):φ172*51
Max.Air Flow(m³/h):500
Max.Pressure(Pa):90
Input Power(W):26
Speed(RPM):3300
Part No:W2E143-AB15-01/F01
Fan Type:Axial Fan
Rated Voltage(V):115
Size(mm):φ172*51
Max.Air Flow(m³/h):500
Max.Pressure(Pa):90
Input Power(W):26
Speed(RPM):3300
Nominal data
Brand:
ebmpapst
Part No.:
W2E143-AB15-01/F01
Fan Type:
Axial Fan
Rated Voltage(V):
115
Size(mm):
172φ*51
Max.Air Flow(m³/h):
500
Max.Pressure(Pa):
90
Input Power(W):
26
Speed(rpm):
3300
Noise(db):
Description
W2E143-AB15-01/F01 Ebm-papst Specification drawing:
































































English
Français
Deutsch
Português
Español
русский
한국어
العربية
Italiano
Indonesia
Schweiz
Polski
Nederlands
ישראל - עברית
Perzisch
ไทย
日本語
ኢትዮ-አማርኛ
Việt Nam
Kiswahili
Srpski
Ελληνικά
繁體中文









