Product
Back
- ebmpapst
- ZIEHL-ABEGG
- DELTA
- SUNON
- Rosenberg
- SODECA
- FULLTECH
- Nicotra Gebhardt
- S&P
- Wistro
- San Ace
- SANMU
- ADDA
- NMB-MAT
- WEIGUANG
-
HVAC Controls & Components
-
Sanhua
4 Way Reversing Vavle Electronic Expansion Valve Driver Electronic Expansion Valve Electronic Shut-off Valve Ball Valve Electronic Expansion Valve Controller Refrigerated Cabinet Controller Pressure Transducer Solenoid Valve Thermostatic Expansion Valve Pressure Control Check Valve Sight Glass Pressure Regulator Liquid Injector Brass Service Valve Charge Valve Filter Drier Drain Pump Accumulator Liquid Receiver Oil Separator
-
Fengshen
Pressure Control Differential Pressure Control Temperature Control Flow Switch Pressure Controlled Water Valve Evaporation Pressure Regulating Valve Temperature Controlled Water Valve Solenoid Valve Thermostatic Expansion Valve Temperature Responsive Expansion Valve Constant Pressure Expansion Valve (Hot Gas Bypass) Pilot and Main Valve Forerunner Pressure Regulating Valve Sight Glass
- Magic
- Sonyo
- CAREL
- Tecumseh
- Danfoss
- Emerson
-
Sanhua
- HVAC Terminal Units
- Multifan
- Accessories
ebm-papst S4E300-AS72-53-S01 Refrigeration Evaporator Fan
Brand:
Document:
Category:
Axial Fan
Description:
1、High-Efficiency Motor with Energy-Saving Performance
Equipped with a high-performance external rotor motor, delivering high power density, low heat generation, and excellent energy efficiency.
2、Robust Construction for Harsh Environments
Built with corrosion-resistant and aging-resistant materials, offering water and dust protection for long-term operation in demanding conditions.
Equipped with a high-performance external rotor motor, delivering high power density, low heat generation, and excellent energy efficiency.
2、Robust Construction for Harsh Environments
Built with corrosion-resistant and aging-resistant materials, offering water and dust protection for long-term operation in demanding conditions.
Nominal data
Brand:
Part No.:
S4E300-AS72-53-S01
Fan Type:
Axial Fan
Rated Voltage(V):
230
Size(mm):
300
Max.Air Flow(m³/h):
2070
Max.Pressure(Pa):
60
Input Power(W):
90
Speed(rpm):
1500
Noise(db):
55
Description
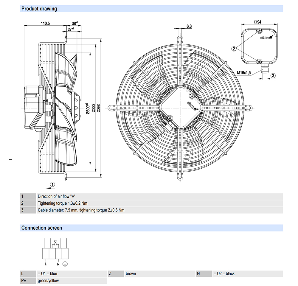
S4E300-AS72-53-S01 Ebmpapst Specification Drawing:
































































English
Français
Deutsch
Português
Español
русский
한국어
العربية
Italiano
Indonesia
Schweiz
Polski
Nederlands
ישראל - עברית
Perzisch
ไทย
日本語
ኢትዮ-አማርኛ
Việt Nam
Kiswahili
Srpski
Ελληνικά
繁體中文








