Product
Back
- ebmpapst
- ZIEHL-ABEGG
- DELTA
- SUNON
- Rosenberg
- SODECA
- FULLTECH
- Nicotra Gebhardt
- S&P
- Wistro
- San Ace
- SANMU
- ADDA
- NMB-MAT
- WEIGUANG
-
HVAC Controls & Components
-
Sanhua
4 Way Reversing Vavle Electronic Expansion Valve Driver Electronic Expansion Valve Electronic Shut-off Valve Ball Valve Electronic Expansion Valve Controller Refrigerated Cabinet Controller Pressure Transducer Solenoid Valve Thermostatic Expansion Valve Pressure Control Check Valve Sight Glass Pressure Regulator Liquid Injector Brass Service Valve Charge Valve Filter Drier Drain Pump Accumulator Liquid Receiver Oil Separator
-
Fengshen
Pressure Control Differential Pressure Control Temperature Control Flow Switch Pressure Controlled Water Valve Evaporation Pressure Regulating Valve Temperature Controlled Water Valve Solenoid Valve Thermostatic Expansion Valve Temperature Responsive Expansion Valve Constant Pressure Expansion Valve (Hot Gas Bypass) Pilot and Main Valve Forerunner Pressure Regulating Valve Sight Glass
- Magic
- Sonyo
- CAREL
- Tecumseh
- Danfoss
- Emerson
-
Sanhua
- HVAC Terminal Units
- Multifan
- Accessories
M4Q045-EA01-75 Ebm-papst Motor
Brand:
ebmpapst
Document:
Category:
Motor
Description:
Standard 230V AC supply with ultra-low noise. Used in vending machines and open displays with energy-efficient metrics meeting global standards.
Nominal data
Brand:
ebmpapst
Part No.:
M4Q045-EA01-75
Fan Type:
Motor
Rated Voltage(V):
230
Size(mm):
Max.Air Flow(m³/h):
Max.Pressure(Pa):
Input Power(W):
80
Speed(rpm):
1550
Noise(db):
Description
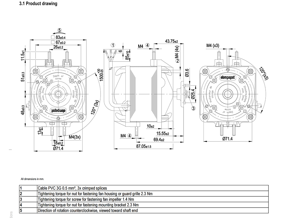
M4Q045-EA01-75 Ebm-papst Specification Drawing:
































































English
Français
Deutsch
Português
Español
русский
한국어
العربية
Italiano
Indonesia
Schweiz
Polski
Nederlands
ישראל - עברית
Perzisch
ไทย
日本語
ኢትዮ-አማርኛ
Việt Nam
Kiswahili
Srpski
Ελληνικά
繁體中文











